Zum Inhalt springen

Was'n das für ein Teil?

Empfohlene Antworten

Moin,

ich habe zu meinem 96er Neuzugang drei Fragen. DSC_0087.JPGWozu dient der runde Widerstand?

DSC_0090.JPGDer Freilauf ist ohne Funktion, der Winkelhebel auf dem Getriebe lässt sich vom Fußraum aus in beide Richtungen bis zum Anschlag leichtgängig verstellen.

Der Vorbesitzer meinte, der Freilauf sei deaktiviert. Kann es sein, dass bei der Getriebeüberholung der Freilauf demontiert wurde? Ist dann überhaupt ein Kraftschluss möglich?

Gruß

Jürgen

Gelöst von gearlooser

Zur Lösung
  • Lösung

Moin Jürgen,

"Was'n das für ein Teil?" kann ich Dir bei der Vielzahl von 96-Schaltplänen leider nicht beantworten, Sorry.

Die Freilauf-Frage ist jedoch leicht zu beantworten:

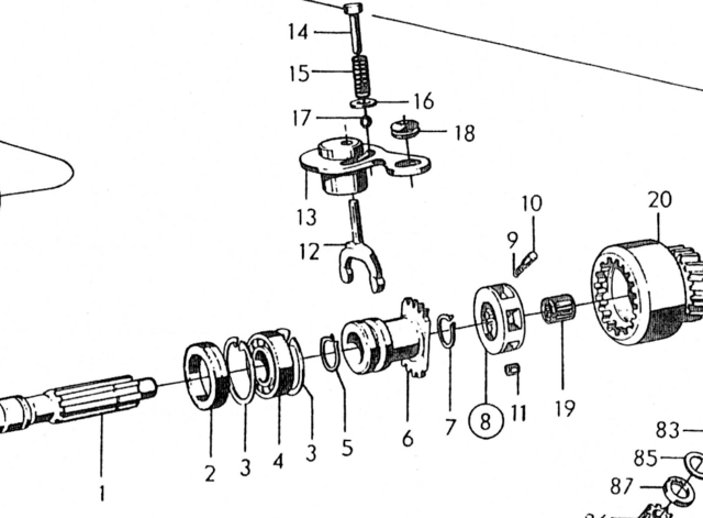
Der Freilauf (8) sitzt mit seinem Gehäuse drehfest auf der Kupplungswelle und überträgt das Drehmoment nur in eine Richtung.

Um diese Funktion zu sperren, wird das Kupplungsstück (6), welches ebenfalls drehfest auf der Kupplungswelle sitzt axial verschoben. Diese Verschiebung wird über die Gabel (12) realisiert, die sich in einer Exzenterbohung im Verstell-/Winkelhebel (13) befindet.

Um den Freilauf außer Kraft zu setzen, kann die Gabel entfallen und die axiale Verschiebung wird über eine Hülse zwischen dem hinteren Sicherungsring (5) und dem Kupplungsstück (6) blockiert. Damit bleiben die 2x5 Zähne permanent im Eingriff mit der Innenverzahnung der Getriebeeingangswelle (20).

Ob der Freilauf (8) mit eingebaut bleibt oder entfällt ist dann egal. Der Verstell-/Winkelhebel (13) verschließt dann nur noch das Loch und verhindert Ölaustritt.

Freilauf.png

Grüße

Klaus

  • Autor

Danke, das hilft mir weiter. Ich werde mal nachschauen ob die Gabel vorhanden ist, sollte ja von oben erkennbar sein.

An der Unterhaltung teilnehmen

Du kannst jetzt posten und dich später registrieren. Wenn du ein Konto hast, melde dich jetzt an, um mit deinem Konto zu posten.

Gast
Auf dieses Thema antworten...

Wichtige Informationen

Wir haben Cookies auf deinem Gerät gespeichert, um diese Website zu verbessern. Du kannst deine Cookie-Einstellungen anpassen, andernfalls gehen wir davon aus, dass du mit der Verwendung von Cookies einverstanden bist.

Konto

Navigation

Suchen

Suchen

Configure browser push notifications

Chrome (Android)
  1. Tippen Sie auf das Schlosssymbol neben der Adressleiste.
  2. Tippen Sie auf Berechtigungen → Benachrichtigungen.
  3. Passen Sie Ihre Einstellungen an.
Chrome (Desktop)
  1. Click the padlock icon in the address bar.
  2. Select Site settings.
  3. Find Notifications and adjust your preference.