Zum Inhalt springen

chris_bo

Mitglied
  • Registriert

  • Letzter Besuch

  1. chris_bo hat auf chris_bo's Thema geantwortet in 9000
    Nachdem ich den Sensor am fahrzeug- statt sensorseitigen Stecker gebrückt habe rückt die Magnetkupplung jetzt auch ein 🫣 Kann ich den Druckwächter selbst bei gefüllter Anlage wechseln?
  2. chris_bo hat auf chris_bo's Thema geantwortet in 9000
    Pin 1 und 2 am Stecker des Druckwächters gebrückt, Magnetkupplung rückt nicht ein, wenn ich die ACC über das Bedienteil einschalte. Frostwächter hat Durchgang. Wie mach ich am besten weiter? Edith: 1) Pin 2 (gelb/weiß) des Steckers zum Druckwächter bekommt bei laufendem Motor und eingeschalteter Klima 12V 2) Pin 86 des Klimarelais bekommt auch 12 V.
  3. chris_bo hat auf chris_bo's Thema geantwortet in 9000
    In den getrennten Stecker, sensorseitig.
  4. chris_bo hat auf chris_bo's Thema geantwortet in 9000
    Die habe ich gemessen, hatten keinen Durchgang. Ist das gut oder schlecht?
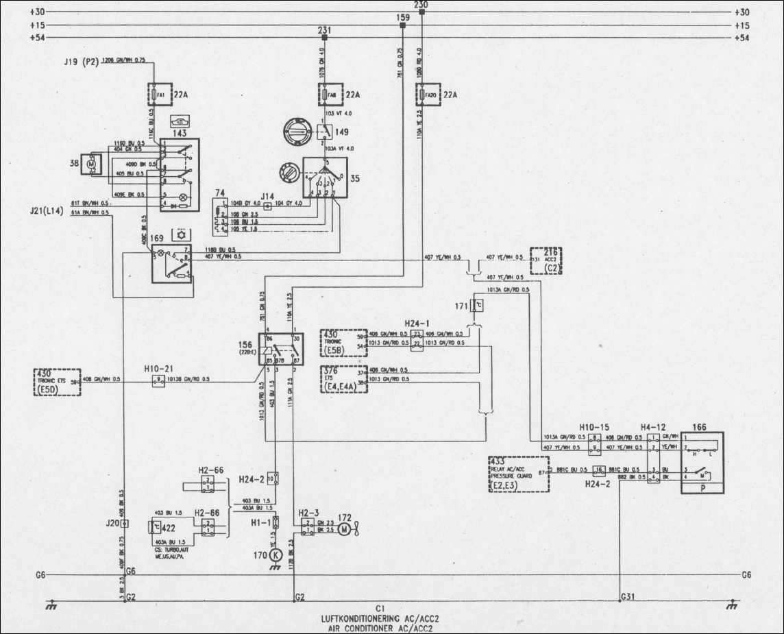
  5. chris_bo hat auf chris_bo's Thema geantwortet in 9000
    @patapaya Das müsste der relevante Teil des Schaltplanes sein (von WHB 8.3, S. 331) ? Da das mein erster Versuch ist, einen Schaltplan zu verstehen, würde ich mich sehr über Hilfe freuen ;) --> Welche Pins von H4-12 sind die Druckwacht-Funktion, welche müssen Durchgang haben? Gesamtplan angehängt, falls ich am falschen Ort suche...
  6. chris_bo hat auf chris_bo's Thema geantwortet in 9000
    Schaltplan hab ich leider nicht aber den Stecker des Drucksensors getrennt. Weiß jemand welche Pins (sind 4) und welche Kabelfarben ich messen muss um auf Durchgang zu prüfen? Belegung Stecker am Sensor: 1 Grün-Weiß 2 gelb-weiß 3 blau 4 schwarz
  7. chris_bo hat auf chris_bo's Thema geantwortet in 9000
    @patapaya D.h. Stecker Drucksensor trennen und messen, richtig? Kannst du mir sagen, was ich da genau wo messen muss? (Entschuldigt bitte die sehr späte Antwort. Ich weiß eure Hilfe sehr zu schätzen, hatte aber zwischenzeitlich mit Jobverlust, Umschulung, Jobsuche, Einarbeitung etc pp zu tun. Zeitlich ist es immer noch knapp, Antworten von mir können also dauern.)
  8. chris_bo hat auf chris_bo's Thema geantwortet in 9000
    Erledigt, alles OK (Relais schaltet und hat Durchgang).
  9. chris_bo hat auf Erik011's Thema geantwortet in 9000
    Wenn Klopfen nicht hilft mal nach dem Tankgeber schauen. Da das nur bei bestimmten Füllständen auftritt könnte es bei der Erfassung der Schwimmerposition haken.
  10. chris_bo hat auf chris_bo's Thema geantwortet in 9000
    @patapaya Danke, du meinst, ans ausgebaute Relais 12v anlegen, richtig? Das Relais hatte ich bisher ausgeschlossen, weil ich ja das originale schon durch ein Skan... Neuteil ersetzt hatte, ohne Erfolg. Aber möglich ist natürlich alles. Da ich Elektronik-Analphabet bin: dh ich nehme 12v vom Autobatterie Pluspol und gehe damit an den (die? Hat ja zwei Schaltungen) Relaiskontakt und kucke, ob was passiert, richtig?
  11. chris_bo hat auf chris_bo's Thema geantwortet in 9000
    Ich habe stattdessen das Klimarelais manuell geschaltet, dh Deckel des Relais abgenommen, Relais eingesetzt und bei laufendem Motor mit Schraubenzieher die Kontaktzunge gedrückt. Magnetkupplung rückt dann ein. Die Kontakte des Relaiskasten müssten damit als Verursacher ausgeschlossen sein, richtig?
  12. chris_bo hat auf chris_bo's Thema geantwortet in 9000
    @turbo9000 Danke. Kontakte sehen gut aus (Stecker Drucksensor getrennt, kein Oxid). Wäre der Frostwächter auch ein Kandidat? Falls ja, wo sitzt der? Wenn ich das Klimarelais manuell schalte, rückt die Magnetkupplung auch ein, die Klimaleitung ist aber nach 60sek noch nicht kalt. Falls jemand beizeiten Infos sucht wie man an den Stecker bzw den Drucksensor am Trockner kommt: Kühlwasserausgleichsbehälter ausklipsen und etwas beiseite tun sowie Frontscheinwerfer ausbauen, dann kommt man durch die Aussparung für den Scheinwerfer sehr gut dran.
  13. chris_bo hat auf chris_bo's Thema geantwortet in 9000
    Frage: das blaue Kabel im Bild, wo geht das hin/was hängt da dran? Vom Seiki Kompressor gehen zwei Kabel ab, eins zur Magnetkupplung, das ist das zweite. Das ist die Steckverbindung, die mir vor ein paar Jahren die Klima lahmgelegt hat (Lüftung ging, mehr nicht, dh Kupplung rückte nicht ein). Damals habe ich die beiden Teile der weißen Steck/Klemmverbindung mit einem Kabelbinder verbunden, das half. Diesmal zerlegt, gereinigt und definitiv Kontakt hergestellt, aber ohne Effekt.
  14. chris_bo hat auf chris_bo's Thema geantwortet in 9000
    @turbo9000 Nein, die zieht gar nicht an.
  15. chris_bo hat auf chris_bo's Thema geantwortet in 9000
    @patapaya Der dreiarmige Stern ist der im Bild, richtig? Der dreht sich mit, wenn die Kupplung bestromt wird.

Wichtige Informationen

Wir haben Cookies auf deinem Gerät gespeichert, um diese Website zu verbessern. Du kannst deine Cookie-Einstellungen anpassen, andernfalls gehen wir davon aus, dass du mit der Verwendung von Cookies einverstanden bist.

Konto

Navigation

Suchen

Suchen

Configure browser push notifications

Chrome (Android)
  1. Tippen Sie auf das Schlosssymbol neben der Adressleiste.
  2. Tippen Sie auf Berechtigungen → Benachrichtigungen.
  3. Passen Sie Ihre Einstellungen an.
Chrome (Desktop)
  1. Click the padlock icon in the address bar.
  2. Select Site settings.
  3. Find Notifications and adjust your preference.