Zum Inhalt springen

Der Felix

Mitglied
  • Registriert

  • Letzter Besuch

Alle Beiträge von Der Felix

  1. Ja genau... offensichtlich ist es der Regler... hab gestern schin einen bestellt und bin gespannt wie ein Flitzebogen. Wenn die Innenraumbeleuchtung tatsächlich was mit dem Gebläseregler zu tun hat, spring ich aus dem Fenster
  2. Nun bin ich etwas irritiert... die KI Suche sagt plötzlich: "Der Fehlercode B2615 beim Opel Insignia (wie auch bei anderen GM-Fahrzeugen) deutet auf einen Fehler im Stromkreis des Gebläsemotor-Widerstands hin. Dies verursacht häufig Probleme mit der Heizung/Klimaanlage (HVAC), wie z.B. inkonsistente Lüftergeschwindigkeiten oder einen Ausfall des Gebläses. " Ich meine, dass meine Klimaautomatik tatsächlich nicht so bläst wie sie vielleicht sollte, aber irgendwann wird es trotzdem warm... kann es tatsächlich zusammenhängen? Dieser Gebläsemotorwiderstand könnte doch örtlich eher bei dem Gebläse-Regler zu finden sein, oder was meint ihr?
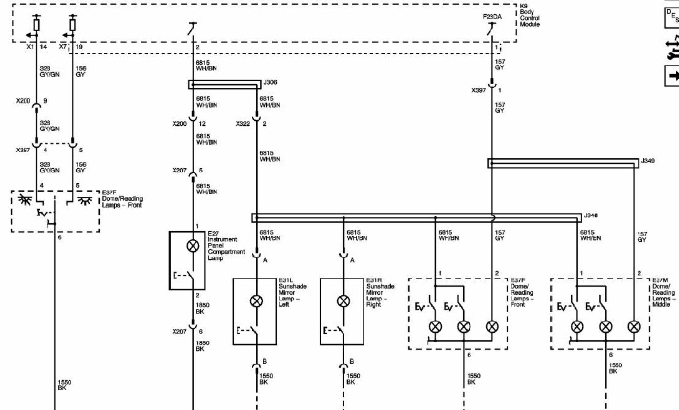
  3. So kleines Update... Ich hatte etwas Zeit gefunden und habe mich meiner Innenraumbeleuchtung gewidmet. Nun habe ich alle Verbraucher abgemacht, Leselampen vorn, Leselampe hinten und die beiden Sonnenblenden. Dann habe ich die Fehlercodes gelöscht und neu durchlaufen lassen... kein Fehler. Ich habe das Bauteil der Leselampen und Innenraumleuchte angeschlossen (Ohne Leuchtmittel), immer noch kein Fehler und die Hindergrundbeleuchtung der Tasten ging. Leuchtmittel eingesetzt und keine lief, und ich hatte wieder den Fehlercode Alle lampen wieder raus und mit der rechten Leselampe angefangen. Ohne Funktion und ohne Fehlercode. Mittlere Lampe rein, ohne Funktion und diesmal mit Fehlercode. Leselamoe raus und nur die mittlere rein, ohne Funktion und ohne Fehlercode. An der Mittleren Lampe ist ein graues Kabel und Masse, ohne Schalter... ich habe immer Durchfluss. Wobei im Schaltplan ist es auch so eingezeichnet, denn es wird offensichtlich durch das BCM gesteuert. Weil der keine Lampe Funktioniert und der Fehler nicht eindeutig zu einer Lampe zuzuordnen ist, habe ich den Verdacht auf den Leuchtmitteln und im schlimmsten Fall auf das BCM. Lämpchen hab ich jetzt mal bestellt und probiere es mal aus. Nur für den Fall, dass ich wiedermal richtig Glück habe und das BMC einen weg hat, frag ich mal nach eurer Erfahrung... Kann ich ein neues einfach programmieren oder muss es auch hier entheiratet sein?
  4. Der Felix hat auf Sbng95's Thema geantwortet in 9-5 II
    ich fahre meinen 2,0 TiD seit 7 Jahren und etwas über 140.000km als Daily. Gebrauchspuren hat er logischerweise und das eine oder andere Wehwechen. Im Grundsatz behaupte ich, wenn man vieles bzw. fast alles selber macht, ist ein weniger das Problem. Es ist erstaunlich, was alles aus dem GM Regal kommt. Technik und ganz viel Elektronik ist weiterhin sehr gut verfügbar. Die Außenhaut ist schon Problematischer. Beim TÜV haben sie mal einen Außenspiegel beanstandet, weil die Blinkerleiste kaputt war. Einen Ersatzspiegel zu finden, war schon eine Herausforderung. Stroßstange ist fast unmöglich. Gerade suche ich nach einem Body Controle Modul, was sich als recht schwierig erweist, aber andere Hersteller sind da noch schlimmer. Ich hatte mal aus Versehen einen Alfa Romeo 156 gehabt und da war irgendwann ein Kurbelwellensensor defekt. Alfa sagt "ist nicht mehr lieferbar", obwohl das Auto erst 5 Jahre alt war. Wenn man selbst schraubt und das EPC, WIS und GDS2 auf dem Desktop hat, ist es fast wie bei jedem anderen Auto. Blöd wird es nur, wenn du ganz, ganz spezielle Probleme bekommst... dann bleibt oft nur Michael Schulz oder ein Forumsmitglied in der Nähe oder das Schwarmwissen, dieses Forums ;-) Ich persönlich sage mir immer: "Das Auto ist zu schön, um es stehen zu lassen" ;-)
  5. Danke für die Tipps. meine Mickaela hat knapp 250.000 runter, wobei es der 2. Motor ist. Ich habe mir das alles mal genauer angeschaut im EPC. Die "Große" Steuerkette, also Kurbelwelle Nockenwellen hat 148 Glieder und "Kleine" WaPu, hat wohl 134 Glieder. Die Wasserpumpe würde ich dann auch dirket mitmachen und in den Steuerkettensätzen (ich hab irgendwie einen Hang zu Febi) sind auch alle Zahnräder dabei. Ich war mir nicht sicher, ob ich Kurbelwellensimmerringe mitmachen muss.
  6. Hallo Gemeinde, Bei kalten Motor klappert alles ein wenig, sodass ich mir überlegt habe die Steuerkette zu tauschen. Dann hab mal im EPC nachgeschaut und die 2. Kette gesehen, etc. Was würde man alles noch tauschen, wenn ich schon mal bei der Hauptsteuerkette bin?
  7. Das Steuergerät habe ich gefunden... Könnte der Masseschluss oder der Fehler vom Steuergerät her kommen oder ist es wahrscheinlicher, dass es an den Kabeln liegt?
  8. Ok... die Massepunkte habe ich überprüft und die sind alle fest. Nun habe ich mal das Bedienelement von der Innenraumbeleuchtung durchgeprüft und stehe gerade auf dem Schlauch. Ich habe die Leuchtmittel herausgenommen und von der Rückseite den Plus und den Minuspol gemessen. Ist der Schalter aus, habe ich keinen Durchgang... stelle ich den Schalter ein, auch ohne Leuchtmittel, habe ich: auf Leselampe links, 11,32V auf Türlechte mitte, 10,74V auf Leselampe rechts, 11,32V und unregelmäßig durchgang von Plus auf Minus, auch ohne Leuchtmittel. Dass ich bei geschlossenem Schalter, durchgang von Puls auf Minus habe, sollte doch eigentlich gar nicht sein oder vertue ich mich? Und es ist auch nicht durchgehend, sondern mit einigen Unterbrechungen. Nun habe ich die Kabel mal verfolgt und sie gehen erst nach hinten und an der C-Säule runter, in den Hauptkabelstrang nach vorne. Weiß jemand von euch, wo das Steuergerät- Karosserie sein könnte? Da sind nämlich die Fehlercodes hinterlegt.
  9. Ich habe jetzt mal die Konsole vom Himmel abgemacht und versucht etwas zu messen. Komischerweise habe ich keine Masse in dem Multistecker der Innenbeleuchtung. Im WIS finde ich irgendwie keine Stromlaufpläne dieses Kabelstrangs. Offensichtlich ist es die Komponente J347 im Register Formdachhimmel. weiß jemand wie ich an den Stromlaufplan komme, um zu schauen wo die Masse langläuft?
  10. Der Felix hat auf New Hirsch 9-5's Thema geantwortet in 9-5 II
    Entwarnung... Die farben sind von der ersetzten Sitzmatte. Allerdings sind die Farben des Kabelbaums noch etwas anders als oben beschrieben. Ich werde morgen nochmal den Sitz anheben und ein besseres Bild machen von dem Stecker des Kabelbaums.
  11. Schick mir mal die VIN per PN
  12. Ja es ist der Sensor im Ausgleichsbehälter.
  13. Der Felix hat auf New Hirsch 9-5's Thema geantwortet in 9-5 II
    Ich habe 4 Kabel und wenn ich das Kabel ab habe und den den Durchgang messe habe ich eine das bei dem schwarzen und dem Braunen. wenn ich den Plan richtig lese ist Braun die Plusleitung für die Rückenmatte und schwarz die Masse dafür. Wenn ich also bei Gelb zu gelb oder gelb zu schwarz keinen Durchgang am Multimeter habe, scheint die Sitzmatte unterbrochen zu sein... Verstehe ich das jetzt richtig?
  14. Hey Tilman, es liegt am Motorsteuergerät. Es blockiert irgendwie die Startfreigabe am Starterrelais. Du kannst es messen am relais... wenn dieser Zustand gerade ist, bekommst du über die Klemme 86 kein Signal. Ehrlich gesagt, kann ich weiter gar nicht helfen, denn ich habe gelernt damit zu leben, weil ich mein Steuergerät nicht tauschen will. Ich habe da eine Stage 1 drauf und möchte die ungern verlieren ;-)
  15. Die Ölwanne vorsichtig montieren, damit die Dichtmasse nicht weggewischt wird. Ölwanne 22 Nm Schrauben am Getriebe 70 Nm Die vordere Schrauben des Torsionsstab an der Ölwanne anbringen und die hintere Schraube festziehen vordere Schraube 37 Nm Hintere Schraube 70 Nm +90°
  16. Was ich meine: Wenn man die Kupplung tritt und dann versucht zu starten, kann es sein, dass es nicht klappt. Die Zündung bleibt aber an, sodass ein weiterer Start nicht möglich ist. Erst wenn man öfter den Startknopf drückt geht irgendwann die Zündung aus und erst dann kann man einen neuen Startversuch beginnen. Wenn dem so ist, hat das ECM ein Problem
  17. Hallo Tilman, eine Zwischefrage noch. wenn man versucht anzumachen und nichts passiert, geht dann die Zündung auch aus wenn man den Startknopf nochmal drückt oder bleibt die Zündung an und man muss ein paar mal den Startknopf drücken bis die Zündung aus geht und man einen neuen Startversuch machen kann?
  18. Der Felix hat auf Der Felix's Thema geantwortet in 9-5 II
    Grundsättzlich verstehe ich die Überlegungen, allerdings habe ich für mich beschlossen, dass mein NG doch mein Alltagswagen ist. Bei den 270.000 hab ich viel geschraubt und noch mehr gesucht, aber ich liebe es, das Auto zu fahren und nehme die Strapazen deshlab wohl oder übel in Kauf. Besonders, weil ich dadurch noch eine andere Bindung zu meinem Piet habe. ... streng nach dem Motto "an old Saab never dies" ;-)
  19. Der Felix hat auf Der Felix's Thema geantwortet in 9-5 II
    Na ja, es geht dabei eher um den Anspruch. Es gibt ja einige Möglichkeiten, bei denen ein Unfall passieren kann, dass die gegnerische Versicherung nicht zahlt... Alkohol, Drogen oder Fahrzeugveränderungen (Garagentuning)... Für mich ist halt nur wichtig gewesen zu wissen, dass man als Geschädigter nicht im Regen steht.
  20. Der Felix hat auf Der Felix's Thema geantwortet in 9-5 II
    So... da mich dieses Thema nicht in Ruhe gelassen hat, habe ich ein wenig rumgefragt und erstaunlich deutesche Antworten bekommen ;-) Am meisten habe ich die juristisch exakte Antwort bekommt "Es kommt drauf an" Grundsätzlich gilt aber, dass bei einem Schaden, nicht mit der Versicherung verhandeln muss, sondern mit dem Unfallgegner. Es hat sich nur eingebürgert, dass man direkt mit der Versicherung spricht, weil der Unfallgener im Endeffekt auch nur mit denen spricht... ABER... da ich Schadenersatzansprüche gegen den Unfallgegner habe, mache ich meine Ansprüche auch gegen diese geltend. fährt mir also jemand den Spiegel ab und es ist eindeutig, dass der andere Schuld ist, ist er nach §823 BGB Schadenersatzpflichtig. Dazu kommt dann der 249 BGB, der aussagt, dass der Schadenersatz in dem Umfang zu leisten ist, bis es so aussieht als ob nie was passiert wäre. Bekomme ich also den Spiegel nur aus Schweden zu 500€ und es gibt keine andere Quelle, muss das übernommen werden. Auch wenn der Preis offensichtlich astronomisch ist, es aber die "günstigste" oder die einzige Möglichkeit ist, muss das vom Unfallgegner übernommen werden. Wenn seine Versicherung nun aber sagt, dass die nur einen Teil übernehmen, aus irgendwelchen Gründen, ist es nicht mein Problem, sondern das des Unfallgegners. Ist jetzt aber ein irreparabler Schaden entstanden, kann ich mir ein "vergleichbares" Auto beschaffen. Mein Gedanke ist aber, wenn es keinen gleichen gibt, was dann? Tja dann kann ich mir entweder das gleiche Modell zulegen und die Differenz verrechnen. Ist das "neue" Auto also hochwertiger, als das kaputte, kann ich über einen Abschlag verhandeln. Ist es weniger gut Ausgestattet oder mit mehr Kilometer, kann ich eine Abstandzahlung verlangen. Habe ich aber ein Vergleichbares Auto, mit abweichender Ausstattung (geringer) kann ich das Auto kaufen und die Ausstattung anpassen lassen, also nachrüsten lassen und es muss reguliert werden. Oder ich warte, bis es ein vergleichbares Auto irgendwann verfügbar ist. Der Schadensersatzanspruch hält 3-10 Jahre. Grundsätzlich gilt aber, ich bekomme so viel, bis der Zustand wieder hergestellt ist, als wenn nie ein Schaden entstanden ist. Wenn die Versicherung aus irgendwelchen Gründen sich quer stellt, dann ist der Unfallgegner in der Haftung. Denn genau genommen, hab ich mit der gegnerischen Versicherung nichts zu tun, sondern nur der Versicherungsnehmer (Unfallgegner), der wiederum mit der Versicherung verhandeln muss.
  21. Hallo Gemeinde, Ich habe mal wieder meinen Fehlerspeicher ausgelesen und da sind mir zwei bemerkenswerte Fehler ausgegeben worden. Tatsächlich funktioniert die Innenraumbeleuchtung und die Belkeuchtiung der Spiegel in den Sonnenblenden nicht. Das GDS2 spuckt nun aus: Steuergerät Karosserie /B2615 /Dimmung Fahrgastraum 2 Stromkreis / Kurzschluss zu Masse Hat jemand eine Idee an welcher Stelle ich anfangen muss zu suchen?
  22. Der Felix hat auf Der Felix's Thema geantwortet in 9-5 II
    Ok... den Unterschied zwischen Reparatur und Totalschaden und die Grenzen hab ich schon nachgelesen. Ich überlege halt, was passiert, wenn eine Reparatur gar nicht möglich ist, weil es die notwendigen Teile gar nicht gibt oder wie wird der Wiederbeschaffungswert ermittelt, wenn es kein vergleichbares Auto auf dem Markt verfügbar ist???
  23. Der Felix hat einem Thema gepostet in 9-5 II
    Hallo Gemeinde, Nachdem mir gerade wieder eine Oma fast den Spiegel abgefahren hätte, habe ich mal wieder über den Umstand Versicherung sinniert… Wie wir schon an der einen oder anderen Stelle hier festgestellt haben, ist die Ersatzteilversorgung recht dürftig. Meinen Letzten Spiegel habe ich ja für einen fast unverschämten Preis aus Schweden bekommen… Oder nehmen wir mal den Worst Case an… jemand fährt mir hinten drauf… Eine Heckstoßstange und die Lightbar bzw. die Rückleuchten gibt es gar nicht oder nur extrem teuer. Nehmen wir also mal an, die Reperatur würde knapp unter dem wirtschaftlichen Totalschaden sein… zahlt die gegnerische Versicherung auch die teuren Ersatzteile, weil diese kaum verfügbar sind? Was ist, wenn die Stoßstange (Hülle) und die Lightbar gar nicht wieder zu beschaffen ist? Und der Wiederbeschaffungswert bei einem „Totalschaden“ scheint mir auch schwierig, denn momentan gibt es nur 7 Angebote bei mobile.de und das ist keines der Autos vergleichbar mit meinem… entweder ist die Ausstattung ganz anders oder die Kilometer sind deutlich unterschiedlich. Hat jemand Erfahrung oder Expertise bei dem Thema?
  24. Der Felix hat einem Thema gepostet in 9-5 II
    Hallo Gemeinde, ich habe gerade gehört, dass ein 9-5NG als Spenderfahrzeug zur Verfügung steht. bei "aero-world-germany" ist ein Aero in carbon grau (310) Ich weiß, dass der Motor, die Sitze und die Rückleuchten bereits weg sind, aber falls ihr einzelne Teile braucht, dann einfach eine E-Mail an: ng@aero-world-germany.de es gibt ein Video von dem Auto:
  25. Der Felix hat auf Der Felix's Thema geantwortet in 9-3 II
    SO... heute war es soweit. Ich ahbe den "alten Zylinderkopf" auf den Austauschrumpf gesetzt und alles zusammengeschraubt. Zum Schluss hab ich noch die Kopression geprüft und auf allen Zylindern zuwisch 11 und 12 bar gehabt. Die Zeit zum messen und die dadurch entstehenden Leerläufe haben dann die Benzinleitungen entlüftet und den Turbo geschmiert. Schlussendlich hab ich den Probestart gemacht und alle 4 Zylinder laufen einwandfrei. Nach ein bisschen warmlaufen ist das leichte Klackert der STeuerkette auch weg gewesen und alle Restfeuchtigkeiten vom Motor sind verdampft. Der Motor läuft ruhig und geschmeidig. Ich bin heilfroh und bedanke mich bei allen hier in der Disskusion. Ihr ward eine riesen Hilfe mit Tipps und besonders Motivation. Vielen Dank an euch ! ! !

Wichtige Informationen

Wir haben Cookies auf deinem Gerät gespeichert, um diese Website zu verbessern. Du kannst deine Cookie-Einstellungen anpassen, andernfalls gehen wir davon aus, dass du mit der Verwendung von Cookies einverstanden bist.

Configure browser push notifications

Chrome (Android)
  1. Tippen Sie auf das Schlosssymbol neben der Adressleiste.
  2. Tippen Sie auf Berechtigungen → Benachrichtigungen.
  3. Passen Sie Ihre Einstellungen an.
Chrome (Desktop)
  1. Click the padlock icon in the address bar.
  2. Select Site settings.
  3. Find Notifications and adjust your preference.