Zum Inhalt springen

Fragen rund um die Motor Überholung.

Empfohlene Antworten

  • Autor

So Kurbelwelle und Ausgleichswellen sind wieder eingebaut.

Frage zur späteren Komplettierung:
Das Gehäuse vom Ölfilter hatte keine Flanschdichtung mit Loctite am Block. Ist das richtig?

IMG_5579.jpeg

Ja, Loctite 518.

Am 10.12.2025 um 07:47, Chrisbie hat gesagt:

So Kurbelwelle und Ausgleichswellen sind wieder eingebaut.

Das Hauptlagerspiel hast Du per Flexigauge gemessen, oder mit Into und Schraube?

  • Autor
Am 10.12.2025 um 09:08, René hat gesagt:

Das Hauptlagerspiel hast Du per Flexigauge gemessen, oder mit Into und Schraube?

Hatte ich vorher mit Flexigauge überprüft.

Alle fünf Lager .038 und damit im Bereich von .020 - .068.

Eingebaut sind die von euch vorgeschlagenen Lager mit STD Maß.

IMG_5586.jpeg

Am 10.12.2025 um 21:48, Chrisbie hat gesagt:

Alle fünf Lager .038 und damit im Bereich von .020 - .068.

Klingt gut!

Denn wenn ich Horsts Worte richtig in Erinnerung habe, soll das Spiel zwischen 3 und 4 1/100 liegen.

haste nicht...4-5 lautet der Zielquadrant.

Aber bei der "Mess"-Methode ist das Ergebnis ok

Am 11.12.2025 um 12:19, hft hat gesagt:

haste nicht...4-5 lautet der Zielquadrant.

OK, also recht genau das mittlere 1/100 der herstellerseitig "vorgeschlagenen" rd. 5/100.

Dann versuche ich mal, mir das so zu merken. top

Mich wundert allerdings, dass das Spielt überall so gleich sein soll.

Bei der alten Wellen die ich hier neu gelagert hatte, nahm das Spiel von den beiden äußeren Lagern zum mittleren von beiden Seiten aus recht gleichmäßig zu.

(40, 60, 65, 60, 40 - und damit klar aus dem o.g. Bereich raus)

Bearbeitet von René

  • Autor
Am 11.12.2025 um 12:48, René hat gesagt:

OK, also recht genau das mittlere 1/100 der herstellerseitig "vorgeschlagenen" rd. 5/100.

Dann versuche ich mal, mir das so zu merken. top

Mich wundert allerdings, dass das Spielt überall so gleich sein soll.

Bei der alten Wellen die ich hier neu gelagert hatte, nahm das Spiel von den beiden äußeren Lagern zum mittleren von beiden Seiten aus recht gleichmäßig zu.

(40, 60, 65, 60, 40 - und damit klar aus dem o.g. Bereich raus)

Lagen alle immer im .038 Feld. Stirndeckellager etwas weniger breit aber immer noch breiter als das grüne .051 Feld.

Ich finde das schon erstaunlich. Vermutlich wurde der Motor immer ohne Hektik Langstrecke gefahren. Und ich denke das die MJ 97,98 eine sehr gut Qualität haben.

Werde am Wochenende die Kolben einbauen und da auch das Lagerspiel prüfen.

Bearbeitet von Chrisbie

Am 11.12.2025 um 22:39, Chrisbie hat gesagt:

Und ich denke das die MJ 97,98 eine sehr gut Qualität haben.

Der genannte, sowie die beiden wegen verschweißter Hauptlagerschalten mit geschrotteter Lagergasse entsorgten Blöcke stammten alle 3 ebenfalls auf 97/98.

Würde ich sooo also nicht unbedingt unterschreiben wollen, dass die zwingend besser als ihre Vorläufer waren.

  • Autor

Frage zu den Kolbenringen:

Im WIS steht
für 900er 1994-1998 Kompressionsringe um 120° versetzt vor dem Kolbenauge anordnen. Was aber nicht dem Bild entspricht.
für 9-3 1998.2003 um 180° versetzt.

Sind die 120° ein Schreibfehler?

Die Bilder verstehe ich so:

Screenshot 2025-12-12 at 14.04.40.png

Bearbeitet von Chrisbie

Bei dreiteiligen Ölabstreifern sollte man sich bemühen die Stöße von Träger und den beiden Ringen gleichmäßig zu versetzen. Die beiden Kompressionsringe sollten irgendwie versetzt sein, ist aber eigentlich egal, da sie sich im Betrieb unabhängig voneinander drehen (solange sie nicht irgendwann mit Ölkohle festgebacken sind )

Zweitakter sind natürlich ausgenommen

Bearbeitet von hft

  • Autor

Die 120° stehen hier im WIS Online

und auch in meiner lokal installierten Version.

Ah, im 900er Bereich.

Ja, das dürfte ein Tippfehler sein - widerspricht ja auch der verbalen Beschreibung.

  • Autor

Es geht voran. Kolben drin. Flexigauge für alle Pleuel größer .051 und kleiner .035

Stirndeckel Getriebeseitig dran mit neuem Simmering. Extra Werkzeug dafür besorgt.

Jetzt noch Fragen zum Anzugsmoment der Stöpsel im Block.
Der Motorenbauer hatte diese zum Reinigen abgenommen
SW19, M14

IMG_5601.jpeg
IMG_5600.jpeg

Von welchen "Stöpseln" sprichst Du?

Unter den Bezeichnung hätte ich am ehesten die Froststopfen vermutet, welche aber weder Gewinde noch eine Schlüsselweite haben.

  • Autor
Am 14.12.2025 um 00:12, René hat gesagt:

Von welchen "Stöpseln" sprichst Du?

Unter den Bezeichnung hätte ich am ehesten die Froststopfen vermutet, welche aber weder Gewinde noch eine Schlüsselweite haben.

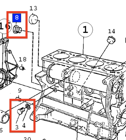
Im EPC als "Stöpsel" bzw. "Plug" bezeichnet.
Die beiden 6-kant Schrauben in den Bildern. Nr 8 und Nr 3/4 in der Zeichnung.

Nr 4 ist ein Kupferring 18 x 14,5 x 1,5
Screenshot 2025-12-14 at 01.01.21.png

Bearbeitet von Chrisbie

Am 14.12.2025 um 01:04, Chrisbie hat gesagt:

Nr 4 ist ein Kupferring 18 x 14,5 x 1,5

Und worüber dichtet die 8?

Wird die "nass" eingedichtet?

So wie ich das sehe, hat das ja wirklich nur zu dichten und nichts zu halten.

Da würde ich mit "Blick auf's Gewinde, und dann nach Gefühl" arbeiten.

Ist wahrscheinlich Feingewinde 14x1, wie die Ölablassschraube. Richtig?

Dann mach es doch einfach so, wie dort auch. Da die Wanne Alu ist und der Block natürlich mehr verträgt, bist Du damit dann wohl auf der sicheren Seite.

  • Autor
Am 14.12.2025 um 12:20, René hat gesagt:

Und worüber dichtet die 8?

Wird die "nass" eingedichtet?

So wie ich das sehe, hat das ja wirklich nur zu dichten und nichts zu halten.

Da würde ich mit "Blick auf's Gewinde, und dann nach Gefühl" arbeiten.

Ist wahrscheinlich Feingewinde 14x1, wie die Ölablassschraube. Richtig?

Dann mach es doch einfach so, wie dort auch. Da die Wanne Alu ist und der Block natürlich mehr verträgt, bist Du damit dann wohl auf der sicheren Seite.

Werde die 8 mit Gewindedichtung Loctite 577 einsetzen.
Anzugdrehmoment wird im Netz mit typisch 20 - 33 Nm angegeben. Ich werde da wohl 25 Nm nehmen.

  • Autor

Es geht weiter.
Musste die bewegliche Führung der Ausgleichskette reklamieren da diese verzogen war und auf Ersatz warten.

Deckel ist auch schon drauf.

Frage zur Ölpumpe:
Haben die Markierungen auf den Rädern eine Bedeutung?


IMG_5613.jpegIMG_5616.jpeg

  • Autor

Mit dem Ölpumpendeckel geht ja nicht anders wegen dem Stift im Gehäuse.
Aber das Innenzahnrad der Pumpe muss mit dem Flash nach Innen eingesetzt werden ansonsten geht der Deckel nicht rauf.

Vollzug:
Mit dem Werkzeug zum Simmering einsetzen flutscht das wie von alleine smile

IMG_5617.jpeg

Muß aber noch mal ran. Die Öffnung des Sicherungsrings soll laut WIS nach unten zeigen.

So ist richtig: abgeschrägt Seite nach Außen, Öffnung nach unten.

IMG_5619.jpeg

Bearbeitet von Chrisbie

Überstand der Kolben über die Dichtfläche in OT messen.

Soll : 0,3mm, ab 0,5mm droht im Betrieb Feindberührung

Wenn ich das richtig in Erinnerung habe, ist sein Kopf ja um 2/10 flacher.

Die müßte man doch bestimmt von Deinen Werten abziehen, oder sind das schon die korrigierten?

was ist an "messen" nicht zu verstehen ?

An der Unterhaltung teilnehmen

Du kannst jetzt posten und dich später registrieren. Wenn du ein Konto hast, melde dich jetzt an, um mit deinem Konto zu posten.

Gast
Auf dieses Thema antworten...

Wichtige Informationen

Wir haben Cookies auf deinem Gerät gespeichert, um diese Website zu verbessern. Du kannst deine Cookie-Einstellungen anpassen, andernfalls gehen wir davon aus, dass du mit der Verwendung von Cookies einverstanden bist.

Konto

Navigation

Suchen

Suchen

Configure browser push notifications

Chrome (Android)
  1. Tippen Sie auf das Schlosssymbol neben der Adressleiste.
  2. Tippen Sie auf Berechtigungen → Benachrichtigungen.
  3. Passen Sie Ihre Einstellungen an.
Chrome (Desktop)
  1. Click the padlock icon in the address bar.
  2. Select Site settings.
  3. Find Notifications and adjust your preference.